Infiltratiegoot-Infiltratieband- 160-D400KN-DWTN
Infiltratiegoot-Infiltratieband-160-D400KN-Tekening-DWTN
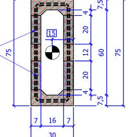
Infiltratiegoot-Infiltratieband-160-D400KN-Dwarsdoorsnede-Tekening-DWTN
Infiltratiekolk-Met-Infiltratiekoker-Ingebouwd-DWTN
Infiltratiekolk-Infiltratiekoker-DWTN
Infiltratiegoot-Infiltratieband- 160-D400KN-DWTN
Infiltratiegoot-Infiltratieband-160-D400KN-Tekening-DWTN
Infiltratiegoot-Infiltratieband-160-D400KN-Dwarsdoorsnede-Tekening-DWTN
Infiltratiekolk-Met-Infiltratiekoker-Ingebouwd-DWTN
Infiltratiekolk-Infiltratiekoker-DWTN

Betonnen infiltratiegoot Delta U-DR 1660. D400. L=2m

DWTN
Artikelnummer: 164U116602DR

Dient besteld te worden

Inwendige afmeting lxbxh=200x16x60cm. Uitwendige afmeting lxbxh=200x30x75cm. Voeg voorzien van rubbere EPDM dichting. Buffervolume 93 l/m. Infiltratieoppervlakte 0,28m2 per zijde per meter. Minimaal infiltrerend vermogen 100 l/u per m. Sterkteklasse > 400kN (getest volgens EN1433). Voorzien van waterdoorlatende poreuze betonstraatstenen 20x20cm in de wanden. Gewicht 620kg. Betonsterkte C60/75. Omgevingsklasse EE3.

Wird oft zusammen gekauft mit

Qualität und Innovation: Unsere Marken

Wir arbeiten mit den besten Marken im Wassermanagement zusammen und gewährleisten Ihnen nachhaltige und effiziente Lösungen. Von der Entwässerung bis zur Versickerung garantieren unsere Marken Qualität und Innovation.